MLT-13065Y-05 - SMD電磁有源蜂鳴器
Specification for Electro-Magnetic Buzzer |
| Page 4 of 6 | |||
Des. | Chk. | ||||
Model No.: | MLT-13065Y-05 | Part No. |
|
|
|
3/19/2018 | 3/19/2018 | ||||
Measuring condition | |||
2 | Operating Voltage | 3-7Vo-p | |
3 | Rated Voltage | 5 Vo-p | |
4 | Sound Output at 10cm | Min.85dB,at Rated Voltage at 10cm | |
5 | Rated Current | Max.30mA , | |
6 | Resonant Frequency | 2700±300Hz | |
7 | Operating Temperature | -20℃~+70℃ | |
8 | Store Temperature | -30℃~+80℃ | |
9 | Net Weight | Approx 1.5g | |
10 | RoHS | Yes | |
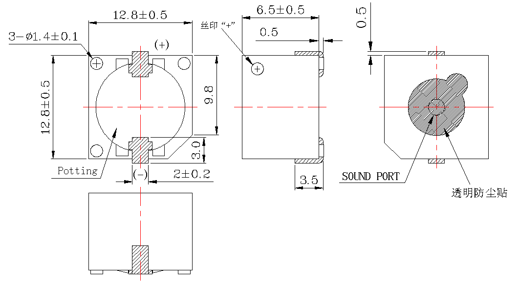
| Unit: mm | ||
| |||
*Unit: mm; Tolerance: ±0.3mm Except Specified | |||
|
Recommended setting |
|
5.1 Reflow soldering |
|
After any following tests the part shall meet specifications without any degradation in
The part shall be subjected to 96 hours at 25±10℃. Input rated voltage
Temperature:+40℃±3℃ Relative Humidity:90%~95% Duration: 48 hours
Temperature:60℃ /1hour→ 25℃/3hours→-20℃/1hour→ 25℃/3hours (1cycle)
Standard Packaging From 75cm(Drop on hard wood or board of 5cm thick,
Vibration:1000cycles /min. Amplitude:1.5mm, Duration: 1 hour in each 3 axes
Use recommendable reflow soldering condition (as shown in 5.1)
Note: |






